
SKF 6210/W64軸承是鼎力晟業(yè)長期代理的產品,鼎力晟業(yè)與SKF公司具有長期的6210/W64軸承采購計劃,可以為國內用戶提供足夠數量的SKF 6210/W64軸承,讓您的工廠無憂運轉。
型號:6210/W64
品牌:SKF
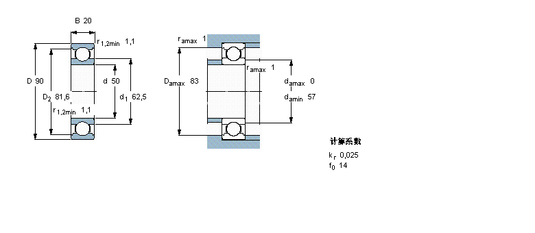
內徑:50
外徑:90
厚度:20
系列:深溝球軸承, 單列, 含Solid Oil, 無密封件
【
手機版 6210/W64軸承
點擊量
更新日期:2021/12/28
】
電話:020-36026999 傳真:020-36705678 服務熱線:18922176822 郵箱:sales@gzbearing.cn
| 深溝球軸承, 單列, 含Solid Oil, 無密封件 | |||||||||
| 公差 , 參見文字 | |||||||||
| 徑向內部游隙 , 參見文字 | |||||||||
| 推薦配合 | |||||||||
| 軸和軸承座公差 | |||||||||
|
|
|||||||||
| 主要數據尺寸 | 基本負荷額定值 | 疲勞負荷限值 | 限制速度 | 體積 | 型號 | ||||
| 動態(tài) | 靜態(tài) | ||||||||
| d | D | B | C | C0 | Pu | * - SKF Explorer 軸承 | |||
|
|
|||||||||
| mm | kN | kN | r/min | kg | - | ||||
|
|
|||||||||
| 50 | 90 | 20 | 37,1 | 23,2 | 0,98 | 4000 | 0,46 | 6210/W64 * | |
CR1000111軸承 HSS7014-C-T-P4S軸承 4311ATN9軸承 6011-RS軸承 GE110-SW軸承 6207/VA201軸承 6211ZZ軸承 231/500-B-MB軸承 TTUE25軸承 NUP2314ECML軸承 6004NSE軸承 NKS65軸承 560-S/552DC軸承 BS2-2210-2CSK/VT143軸承 NUP2326EC軸承 26FC20125軸承 M959442/M959410軸承 BDAB351909軸承 6003-2RS1軸承 T4DB200軸承