
購買SKF BGSB634152A軸承,及BGSB634152A軸承同系列產品,或者SKF公司其他產品,請聯系SKF進口軸承代理-鼎力晟業(yè),我們提供準時高效的服務。
型號:BGSB634152A
品牌:SKF
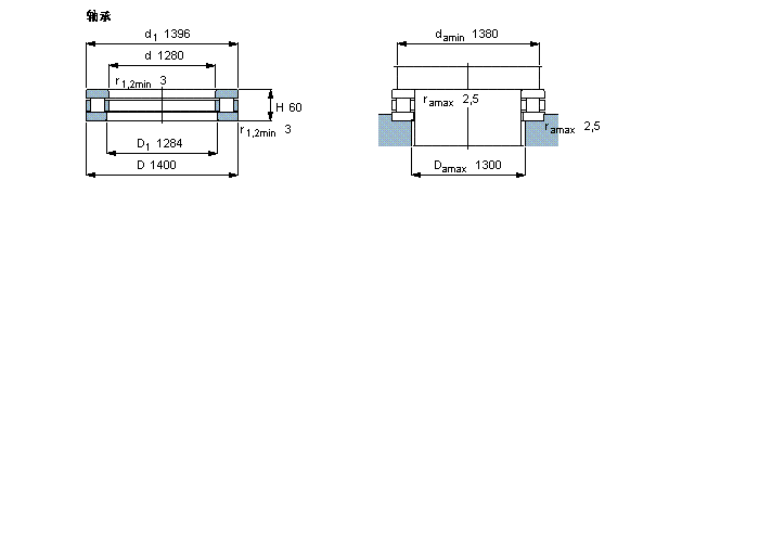
內徑:1280
外徑:1400
厚度:60
系列:圓柱滾子推力軸承, 軸承 / 圓柱滾子和保持架止推組件
【
手機版 BGSB634152A軸承
點擊量
更新日期:2021/12/28
】
電話:020-36026999 傳真:020-36705678 服務熱線:18922176822 郵箱:sales@gzbearing.cn
| 圓柱滾子推力軸承, 軸承 / 圓柱滾子和保持架止推組件 | ||||||||||||
| 公差 , 參見文字 | ||||||||||||
| 推薦配合 | ||||||||||||
| 軸和軸承座公差 | ||||||||||||
|
|
||||||||||||
| 主要數據尺寸 | 基本負荷額定值 | 疲勞負荷限值 | 最小負荷系數 | 額定速度 | 體積 | 型號 | ||||||
| 動態(tài) | 靜態(tài) | 參照速度 | 限制速度 | 軸承 | 圓柱滾子和保持架止推組件 | |||||||
| d | D | H | C | C0 | Pu | A | ||||||
|
|
||||||||||||
| mm | kN | kN | - | r/min | kg | - | ||||||
|
|
||||||||||||
| 1280 | 1400 | 60 | 1700 | 19000 | 950 | 29 | 170 | 340 | 102 | BGSB 634152 A | - | |
NU408-M1軸承 6018NR軸承 75KBE03軸承 SX011836軸承 AH3048軸承 GE240ES-2LS軸承 52322軸承 6206-Z軸承 3306A-Z軸承 22228BKD1+H3128軸承 GBRI406024軸承 LM11749軸承 30328軸承 23164K.MBH3164HG軸承 CRH52VBR軸承 231/850B軸承 61909N軸承 21324EW33K軸承 RNAO50x65x20軸承 6306RS軸承