
SKF BS2B321610軸承工業(yè)配套用戶請注意:批量采購SKF BS2B321610軸承,請至少提前一周與我們聯系,長期批量采購請?zhí)峁┠甓炔少徲媱,我們將十分感謝您的預見性,我們將提供極為優(yōu)惠的價格以保障您的權益。
型號:BS2B321610
品牌:SKF
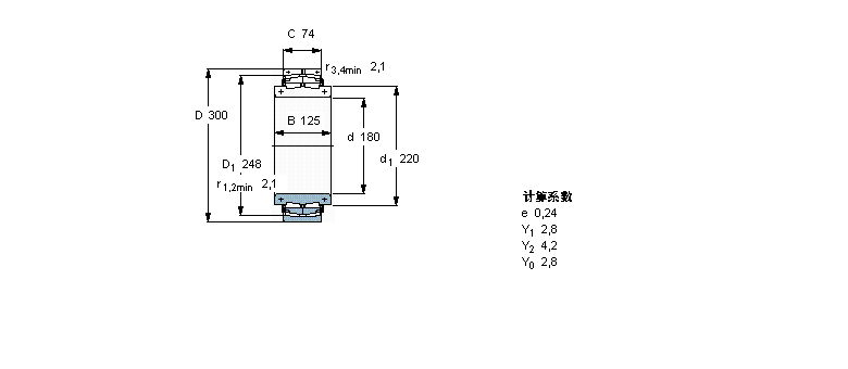
內徑:180
外徑:300
厚度:125
系列:球面滾子軸承, 剖分式
【
手機版 BS2B321610軸承
點擊量
更新日期:2021/12/28
】
電話:020-36026999 傳真:020-36705678 服務熱線:18922176822 郵箱:sales@gzbearing.cn
| 球面滾子軸承, 剖分式 | |||||||||
| 公差 , 參見文字 | |||||||||
| 徑向內部游隙 , 參見文字 | |||||||||
| 推薦配合, 參見文字 | |||||||||
| 軸和軸承座公差 | |||||||||
|
|
|||||||||
| 主要數據尺寸 | 基本負荷額定值 | 疲勞負荷限值 | 體積 | 型號 | |||||
| 動態(tài) | 靜態(tài) | ||||||||
| d | D | B | C | C | C0 | Pu | |||
|
|
|||||||||
| mm | kN | kN | kg | - | |||||
|
|
|||||||||
| 180 | 300 | 125 | 74 | 713 | 1200 | 110 | 30,0 | BS2B 321610 | |
N234軸承 NUP2217軸承 2315-M軸承 6226ZX軸承 34306軸承 7322-B-JP軸承 HR32022XJ軸承 NKS60軸承 14276軸承 23028AX軸承 32021X+T4DC105軸承 71922ACD/HCP4A軸承 NU421E.M1軸承 B71915-E-2RSD-T-P4S軸承 71930CDB軸承 6219NR軸承 81252MB軸承 EGBZ1610-E40軸承 JHM318448軸承 NJ208ET軸承