
SKF BT2B332692軸承是鼎力晟業(yè)長期代理的產品,鼎力晟業(yè)與SKF公司具有長期的BT2B332692軸承采購計劃,可以為國內用戶提供足夠數量的SKF BT2B332692軸承,讓您的工廠無憂運轉。
型號:BT2B332692
品牌:SKF
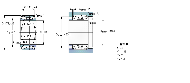
內徑:381
外徑:479.425
厚度:140
系列:圓錐滾子軸承, 單列,背對背配對
【
手機版 BT2B332692軸承
點擊量
更新日期:2021/12/28
】
電話:020-36026999 傳真:020-36705678 服務熱線:18922176822 郵箱:sales@gzbearing.cn
| 圓錐滾子軸承, 單列,背對背配對 | ||||||||||
| 公差 , 參見文字 | ||||||||||
| 軸向內部間隙, 參見文字 | ||||||||||
| 推薦配合 | ||||||||||
| 軸和軸承座公差 | ||||||||||
|
|
||||||||||
| 主要數據尺寸 | 基本負荷額定值 | 疲勞負荷限值 | 額定速度 | 體積 | 型號 | |||||
| 動態(tài) | 靜態(tài) | 參照速度 | 限制速度 | |||||||
| d | D | B | C | C0 | Pu | |||||
|
|
||||||||||
| mm | kN | kN | r/min | kg | - | |||||
|
|
||||||||||
| 381 | 479,425 | 140 | 1020 | 3000 | 240 | 670 | 1200 | 50,5 | BT2B 332692 | |