
作為傳統的進口軸承代理商,鼎力晟業(yè)以廣州為基地,全方位展開與SKF公司的合作,為本地SKF FBSA205/DF軸承提供強大的貨源支持,并迅速推廣到全國各地,經過多年的努力,FBSA205/DF軸承已成為我們的主導產品之一。
型號:FBSA205/DF
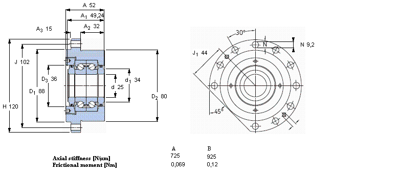
品牌:SKF
內徑:25
外徑:80
厚度:52
系列:角接觸推力球軸承 for screw drives, cartridge units with flanged housing
【
手機版 FBSA205/DF軸承
點擊量
更新日期:2021/12/28
】
電話:020-36026999 傳真:020-36705678 服務熱線:18922176822 郵箱:sales@gzbearing.cn
| 角接觸推力球軸承 for screw drives, cartridge units with flanged housing | |||||||||||
| 公差, inner rings, outer rings, see also text | |||||||||||
| Preload, see specific bearing, see also text | |||||||||||
| Shaft fits, housing fits | |||||||||||
| 軸和軸承座公差 | |||||||||||
|
|
|||||||||||
| 主要數據尺寸 | 基本負荷額定值 | 疲勞負荷限值 | 可達到的速度 | 體積 | 型號 | ||||||
| 動態(tài) | 靜態(tài) | 預壓 | SKF | SNFA | |||||||
| A | B | ||||||||||
| d | D2 | A | C | C0 | Pu | ||||||
|
|
|||||||||||
| mm | kN | kN | r/min | kg | - | ||||||
|
|
|||||||||||
| 25 | 80 | 52 | 22,4 | 52 | 1,93 | 7200 | 3600 | 2,3 | FBSA 205/ DF | BSDU 225 FF | |
NUP2206ET軸承 292/950E軸承 NU207軸承 6209-ZN軸承 N2311M軸承 RCJY1-3/16軸承 16204軸承 240/850B軸承 UKFL311;H2311X軸承 FNTA-5070軸承 PDNB312軸承 7312AC/DB軸承 7211C/DB軸承 EGB1815-E40-B軸承 7021A5軸承 7018C/DF軸承 6217ZN軸承 RNA2202.2RS軸承 HCB7028-C-2RSD-T-P4S軸承 EC6207軸承