
我們不僅提供SKF FYRP3.1/2H-3軸承,還提供SKF品牌的其他品牌產品,以及SKF FYRP3.1/2H-3軸承的替換型號,萬千種型號,任您選擇。
型號:FYRP3.1/2H-3
品牌:SKF
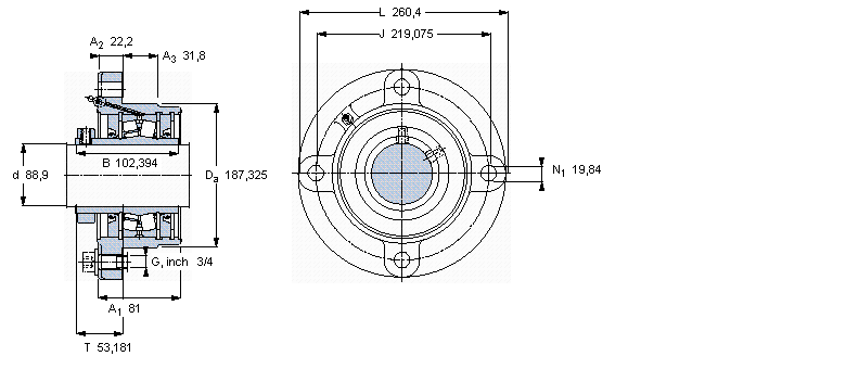
系列:帶法蘭的滾子軸承單元, 鎖定套和插口,用于英制的軸, locating units, radial shaft seals
【
手機版 FYRP3.1/2H-3軸承
點擊量
更新日期:2021/12/28
】
電話:020-36026999 傳真:020-36705678 服務熱線:18922176822 郵箱:sales@gzbearing.cn
| 帶法蘭的滾子軸承單元, 鎖定套和插口,用于英制的軸, locating units, radial shaft seals | |||||||||||
|
|
|||||||||||
| 尺寸 | 尺寸 [英寸] | 限制速度 | 質量 | 型號 | 軸承,基本型號 | ||||||
| 動態(tài) | 靜態(tài) | ||||||||||
| da | A1 | J | L | T | C | C0 | |||||
|
|
|||||||||||
| mm | kN | r/min | kg | - | - | ||||||
|
|
|||||||||||
| 88,9 | 81 | 219,075 | 260,4 | 53,181 | 253 | 340 | 1300 | 13,2 | FYRP 3.1/2 H-3 | 22218 | |
23248CAE4軸承 7317C/DT軸承 7207-B-TVP軸承 HR323/28C軸承 NNCF4964CV軸承 7004C/DF軸承 33214軸承 ZKLN3572-2RS-2AP軸承 22215ES.TVPB軸承 6800ZE軸承 2×7314BEGAP軸承 NKIB5912軸承 61904-2Z軸承 GEZ012ES軸承 7244軸承 23264MB軸承 7232BDB軸承 B7015E.X軸承 7209CDB軸承 TTUE45軸承