
SKF MB11A軸承是鼎力晟業(yè)長期代理的產品,鼎力晟業(yè)與SKF公司具有長期的MB11A軸承采購計劃,可以為國內用戶提供足夠數量的SKF MB11A軸承,讓您的工廠無憂運轉。
型號:MB11A
品牌:SKF
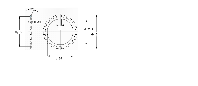
內徑:55
外徑:81
厚度:2.5
系列:MB(L)鎖定墊圈
【
手機版 MB11A軸承
點擊量
更新日期:2021/12/28
】
電話:020-36026999 傳真:020-36705678 服務熱線:18922176822 郵箱:sales@gzbearing.cn
| MB(L)鎖定墊圈 | ||||||
|
|
||||||
| 尺寸 | 體積 | 型號 | ||||
| 鎖緊墊圈 | 適宜的鎖定螺母 | |||||
| d | d2 | B | ||||
|
|
||||||
| mm | kg | - | ||||
|
|
||||||
| 55 | 81 | 2,5 | 0,037 | MB 11 A | KM 11 | |
7205C/DF軸承 GE180-DO-2RS軸承 HM136948/HM136916XD軸承 54222+U222軸承 6314ZR軸承 6211ZZ軸承 NU208ECML軸承 23160-B-K-MB+H3160軸承 7309BEY軸承 07100/96軸承 32303A軸承 23060B軸承 5211A軸承 6918N軸承 3312-DA軸承 RLM304020軸承 23172RK+H3172軸承 GE40-KRR-B-FA101軸承 32964軸承 CRBS1208V軸承