
SKF N28/1400ECMP軸承是鼎力晟業(yè)長期代理的產品,鼎力晟業(yè)與SKF公司具有長期的N28/1400ECMP軸承采購計劃,可以為國內用戶提供足夠數量的SKF N28/1400ECMP軸承,讓您的工廠無憂運轉。
型號:N28/1400ECMP
品牌:SKF
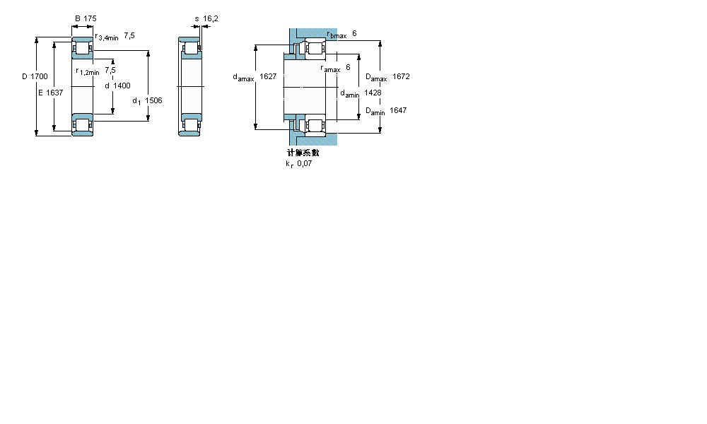
內徑:1400
外徑:1700
厚度:175
系列:圓柱滾子軸承, 單列, N 設計
【
手機版 N28/1400ECMP軸承
點擊量
更新日期:2021/12/28
】
電話:020-36026999 傳真:020-36705678 服務熱線:18922176822 郵箱:sales@gzbearing.cn
| 圓柱滾子軸承, 單列, N 設計 | ||||||||||||
| 公差 , 參見文字 | ||||||||||||
| 徑向內部間隙, 圓柱型內孔 , 圓錐型內孔, 無密封件 , 參見文字 | ||||||||||||
| 推薦配合 | ||||||||||||
| 軸和軸承座公差 | ||||||||||||
|
|
||||||||||||
| 主要數據尺寸 | 基本負荷額定值 | 疲勞負荷限值 | 額定速度 | 體積 | 型號 | 適宜的斜擋圈 | ||||||
| 動態(tài) | 靜態(tài) | 參照速度 | 限制速度 | 型號 | ||||||||
| d | D | B | C | C0 | Pu | |||||||
|
|
||||||||||||
| mm | kN | kN | r/min | kg | - | - | ||||||
|
|
||||||||||||
| 1400 | 1700 | 175 | 6600 | 18300 | 1040 | 220 | 280 | 860 | N 28/1400 ECMP | - | ||