
SKF進口軸承代理鼎力晟業(yè)為用戶提供高品質的NKIA5904軸承,無論是工業(yè)配套還是維修市場,用戶都可以在這里找到貨期最短的SKF NKIA5904軸承,確保您的不間斷生產。
型號:NKIA5904
品牌:SKF
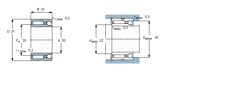
內徑:20
外徑:37
厚度:23
系列:組合式滾針軸承, 滾針/角接觸球軸承, 軸向負荷 單向
【
手機版 NKIA5904軸承
點擊量
更新日期:2021/12/28
】
電話:020-36026999 傳真:020-36705678 服務熱線:18922176822 郵箱:sales@gzbearing.cn
| 組合式滾針軸承, 滾針/角接觸球軸承, 軸向負荷 單向 | |||||||||||||
| 公差 , 參見文字 | |||||||||||||
| 徑向內部游隙 , 參見文字 | |||||||||||||
| 推薦配合 | |||||||||||||
| 軸和軸承座公差 | |||||||||||||
|
|
|||||||||||||
| 主要數據尺寸 | 基本負荷額定值 | 疲勞負荷限值 | 額定速度 | 體積 | 型號 | ||||||||
| 徑向 | 軸向 | 參照速度 | 限制速度 | ||||||||||
| 動態(tài) | 靜態(tài) | 動態(tài) | 靜態(tài) | 徑向 | 軸向 | ||||||||
| d | D | B | C | C0 | C | C0 | Pu | Pu | |||||
|
|
|||||||||||||
| mm | kN | kN | r/min | kg | - | ||||||||
|
|
|||||||||||||
| 20 | 37 | 23 | 21,6 | 28 | 3,79 | 4,21 | 3,35 | 0,176 | 15000 | 17000 | 0,10 | NKIA 5904 | |
22244EW33K+H3144軸承 LRT9010563軸承 GE380-DO軸承 31310-A軸承 53414軸承 23288RK+AHX3288軸承 K28x35x18軸承 NUP2204E.TVP2軸承 ET-31305D軸承 3000-B-2Z-TVH軸承 6205-2Z軸承 NUP2316軸承 81111J軸承 NN3060K軸承 609-RS軸承 K19X23X17軸承 3309DMA軸承 2307ETN9軸承 GIR80-UK-2RS軸承 6316N軸承