
我們不僅提供SKF NU2292MA軸承,還提供SKF品牌的其他品牌產品,以及SKF NU2292MA軸承的替換型號,萬千種型號,任您選擇。
型號:NU2292MA
品牌:SKF
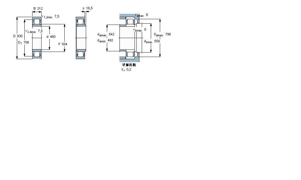
內徑:460
外徑:830
厚度:212
系列:圓柱滾子軸承, 單列, NU 設計
【
手機版 NU2292MA軸承
點擊量
更新日期:2021/12/28
】
電話:020-36026999 傳真:020-36705678 服務熱線:18922176822 郵箱:sales@gzbearing.cn
| 圓柱滾子軸承, 單列, NU 設計 | ||||||||||||
| 公差 , 參見文字 | ||||||||||||
| 徑向內部間隙, 圓柱型內孔 , 圓錐型內孔, 無密封件 , 參見文字 | ||||||||||||
| 推薦配合 | ||||||||||||
| 軸和軸承座公差 | ||||||||||||
|
|
||||||||||||
| 主要數據尺寸 | 基本負荷額定值 | 疲勞負荷限值 | 額定速度 | 體積 | 型號 | 適宜的斜擋圈 | ||||||
| 動態(tài) | 靜態(tài) | 參照速度 | 限制速度 | 型號 | ||||||||
| d | D | B | C | C0 | Pu | |||||||
|
|
||||||||||||
| mm | kN | kN | r/min | kg | - | - | ||||||
|
|
||||||||||||
| 460 | 830 | 212 | 5120 | 8650 | 655 | 700 | 1100 | 530 | NU 2292 MA | - | ||
B7001-C-T-P4S軸承 51264X軸承 21320EX1軸承 LR5206-2RS軸承 CR18UUR軸承 6017V軸承 7034AC/DT軸承 NNU6934M軸承 2023軸承 6005-RZ軸承 CSCC075軸承 02474/02420軸承 2313K軸承 22260-K-MB+AH2260G軸承 2×7328BCBM軸承 22205RHR軸承 PWKR52-2RS軸承 6830DD軸承 61912-2RZ軸承 EGB7050-E50軸承