
作為傳統(tǒng)的進口軸承代理商,鼎力晟業(yè)以廣州為基地,全方位展開與SKF公司的合作,為本地SKF NU29/1320ECFR軸承提供強大的貨源支持,并迅速推廣到全國各地,經過多年的努力,NU29/1320ECFR軸承已成為我們的主導產品之一。
型號:NU29/1320ECFR
品牌:SKF
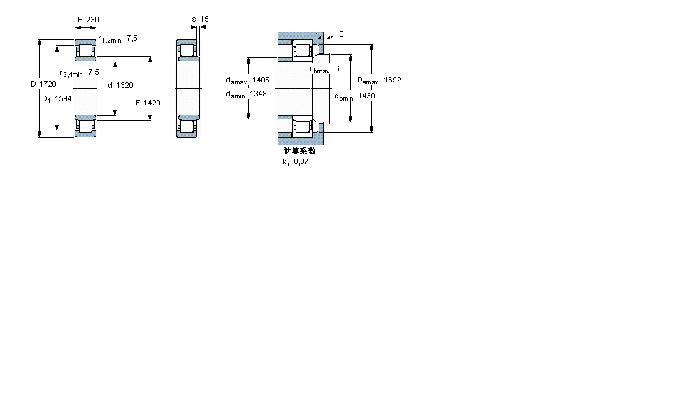
內徑:1320
外徑:1720
厚度:230
系列:圓柱滾子軸承, 單列, NU 設計
【
手機版 NU29/1320ECFR軸承
點擊量
更新日期:2021/12/28
】
電話:020-36026999 傳真:020-36705678 服務熱線:18922176822 郵箱:sales@gzbearing.cn
| 圓柱滾子軸承, 單列, NU 設計 | ||||||||||||
| 公差 , 參見文字 | ||||||||||||
| 徑向內部間隙, 圓柱型內孔 , 圓錐型內孔, 無密封件 , 參見文字 | ||||||||||||
| 推薦配合 | ||||||||||||
| 軸和軸承座公差 | ||||||||||||
|
|
||||||||||||
| 主要數據尺寸 | 基本負荷額定值 | 疲勞負荷限值 | 額定速度 | 體積 | 型號 | 適宜的斜擋圈 | ||||||
| 動態(tài) | 靜態(tài) | 參照速度 | 限制速度 | 型號 | ||||||||
| d | D | B | C | C0 | Pu | |||||||
|
|
||||||||||||
| mm | kN | kN | r/min | kg | - | - | ||||||
|
|
||||||||||||
| 1320 | 1720 | 230 | 11400 | 30500 | 1760 | 240 | 320 | 1500 | NU 29/1320 ECFR | - | ||
NJ2226-E-TVP2軸承 53405U軸承 2×7211BECBY軸承 24180CAE4軸承 46260A軸承 NJ2338-EX-M1軸承 53330軸承 22256B.MB軸承 FLRA166ZZ軸承 7240AC/DF軸承 6222NR軸承 3202B.2RSR.TVH軸承 GE22-PW軸承 NK75/25R軸承 HJ2312軸承 24030RHK30W33軸承 HC7008-E-T-P4S軸承 7205AC/DF軸承 7234C/DB軸承 QJ219軸承