
SKF進口軸承代理鼎力晟業(yè)為用戶提供高品質的PDPF2216軸承,無論是工業(yè)配套還是維修市場,用戶都可以在這里找到貨期最短的SKF PDPF2216軸承,確保您的不間斷生產。
型號:PDPF2216
品牌:SKF
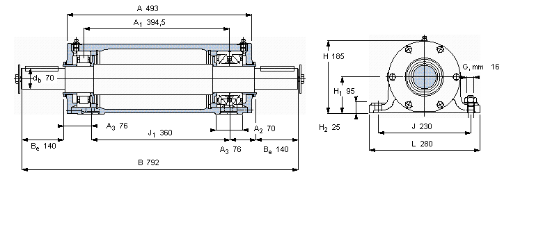
內徑:70
外徑:792
厚度:185
系列:雙軸承單元, PDPF單元
【
手機版 PDPF2216軸承
點擊量
更新日期:2021/12/28
】
電話:020-36026999 傳真:020-36705678 服務熱線:18922176822 郵箱:sales@gzbearing.cn
| 雙軸承單元, PDPF單元 | ||||||||||
|
|
||||||||||
| 尺寸 | 整體軸承 | 質量 | 型號 | |||||||
| 軸承座與 | Key405 | 軸承單元 | ||||||||
| db | B | H | H1 | L | ||||||
|
|
||||||||||
| mm | - | kg | - | |||||||
|
|
||||||||||
| 70 | 792 | 185 | 95 | 280 | NU 2216 ECP | 7216 BECBP | 7216 BECBP | 70,5 | PDPF 2216 | |
7209DF軸承 FCJS-72軸承 EE275095/275161D軸承 2207-TVH軸承 16040軸承 23160CCK/W33+OH3160H軸承 CSCD040軸承 NU2332E.M1軸承 NU2215軸承 NJ2230+HJ2230軸承 N405軸承 230/850CAK/W33+OH30/850H軸承 CSEF080軸承 IR30X37X22軸承 36204B軸承 51124軸承 GAY35-NPP-B軸承 EGB4550-E40軸承 53264U軸承 B71910-E-T-P4S軸承