
作為傳統(tǒng)的進口軸承代理商,鼎力晟業(yè)以廣州為基地,全方位展開與SKF公司的合作,為本地SKF PDRJ324軸承提供強大的貨源支持,并迅速推廣到全國各地,經過多年的努力,PDRJ324軸承已成為我們的主導產品之一。
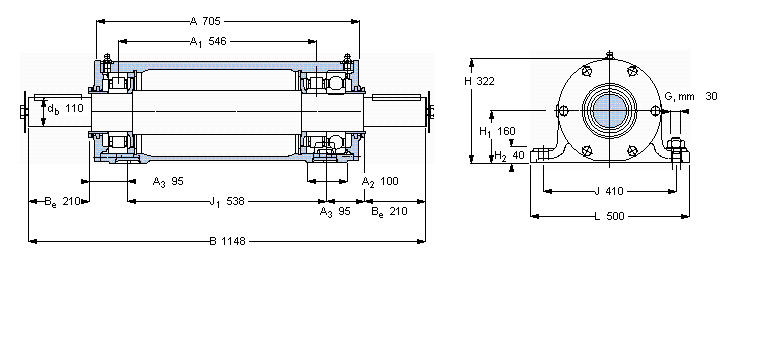
型號:PDRJ324
品牌:SKF
內徑:110
外徑:1148
厚度:322
系列:雙軸承單元, PDRJ單元
【
手機版 PDRJ324軸承
點擊量
更新日期:2021/12/28
】
電話:020-36026999 傳真:020-36705678 服務熱線:18922176822 郵箱:sales@gzbearing.cn
| 雙軸承單元, PDRJ單元 | ||||||||||
|
|
||||||||||
| 尺寸 | 整體軸承 | 質量 | 型號 | |||||||
| 軸承座與 | Key405 | 軸承單元 | ||||||||
| db | B | H | H1 | L | ||||||
|
|
||||||||||
| mm | - | kg | - | |||||||
|
|
||||||||||
| 110 | 1148 | 322 | 160 | 500 | NU 324 ECP | 6324/C3 | NU 324 ECP | 289 | PDRJ 324 | |
65237A/65500軸承 7215BDF軸承 BT4B328074/HA4軸承 RA100-NPP-B軸承 61838軸承 GBRI365628軸承 7221A5DT軸承 7032C/DB軸承 EGBZ1620-E40軸承 NU409軸承 6313NKE軸承 6802V軸承 7216A5DF軸承 PCM758040M軸承 2218K+H318軸承 61814-2RS軸承 6224-Z軸承 SL1829/500軸承 23288CAKE4軸承 6330-M軸承