
我們不僅提供SKF SAKAC5M軸承,還提供SKF品牌的其他品牌產品,以及SKF SAKAC5M軸承的替換型號,萬千種型號,任您選擇。
型號:SAKAC5M
品牌:SKF
系列:需要維護的桿端, 鋼對青銅,陽螺紋
【
手機版 SAKAC5M軸承
點擊量
更新日期:2021/12/28
】
電話:020-36026999 傳真:020-36705678 服務熱線:18922176822 郵箱:sales@gzbearing.cn
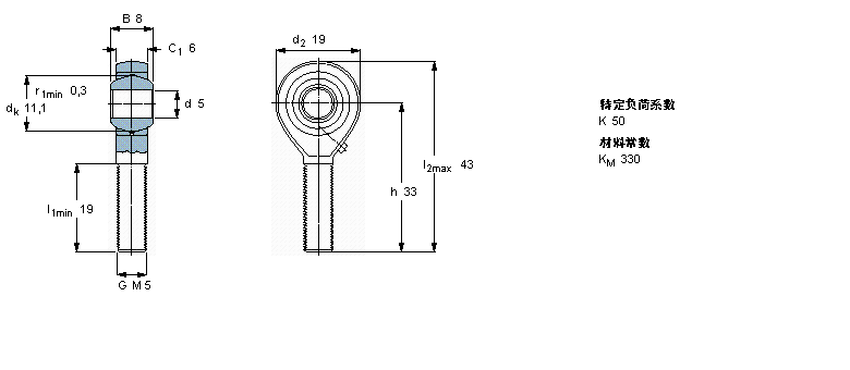
| 需要維護的桿端, 鋼對青銅,陽螺紋 | |||||||||||
| 公差 , 參見文字 | |||||||||||
| 徑向內部游隙 , 參見文字 | |||||||||||
|
|
|||||||||||
| 主要數據尺寸 | 角度傾的 | 基本負荷額定值 | 質量 | 型號 | |||||||
| 動態(tài) | 靜態(tài) | 軸承座完全與 | |||||||||
| d | d2 | B | d3 | C1 | h | ± | C | C0 | |||
| 6g | |||||||||||
|
|
|||||||||||
| mm | 度數 | kN | kg | - | |||||||
|
|
|||||||||||
| 5 | 19 | 8 | M 5 | 6 | 33 | 13 | 3,25 | 4,8 | 0,014 | SAKAC 5 M | |
EGB0808-E50軸承 VSI250955-N軸承 RATY17軸承 NUP2316軸承 NJ2220ECM軸承 33116JR軸承 NX7TN軸承 24044BK30.MB軸承 6310RS軸承 22348CC/W33軸承 HSB913C軸承 618/3軸承 170TAC29D+L軸承 32028-X-N11CA軸承 71921C/DB軸承 RNA5911軸承 51410軸承 EGB1815-E40軸承 6044軸承 7010CDF軸承