
SKF進口軸承代理鼎力晟業(yè)為用戶提供高品質的W10軸承,無論是工業(yè)配套還是維修市場,用戶都可以在這里找到貨期最短的SKF W10軸承,確保您的不間斷生產。
型號:W10
品牌:SKF
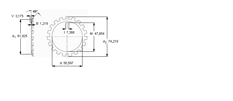
內徑:50.597
外徑:74.219
厚度:1.219
系列:W鎖緊墊圈, 英制尺寸
【
手機版 W10軸承
點擊量
更新日期:2021/12/28
】
電話:020-36026999 傳真:020-36705678 服務熱線:18922176822 郵箱:sales@gzbearing.cn
| W鎖緊墊圈, 英制尺寸 | ||||||
|
|
||||||
| 尺寸 | 體積 | 型號 | ||||
| 鎖緊墊圈 | 適宜的鎖定螺母 | |||||
| d | d2 | B | ||||
|
|
||||||
| mm | kg | - | ||||
|
|
||||||
| 50,597 | 74,219 | 1,219 | 0,02 | W 10 | N 10 | |
22332RHAK+H2332軸承 TAL1516軸承 HCS7012-E-T-P4S軸承 423044E1軸承 27684/27620軸承 NU2240EM軸承 22230-E1-K軸承 6920LB軸承 7016CDT軸承 NJ1060軸承 53210U軸承 61907N軸承 7315ADB軸承 YET212-207軸承 462/560A軸承 NF260軸承 24136-E1-K30+AH24136軸承 24126EW33K30軸承 32311BJ2/QCL7C軸承 NN3006軸承