
訂購SKF W6200-2RS1軸承,請隨時與我們聯系,我們將根據匯率的波動為您提供實時準確的價格,確保以最優(yōu)惠的價格為您提供優(yōu)質的SKF W6200-2RS1軸承。
型號:W6200-2RS1
品牌:SKF
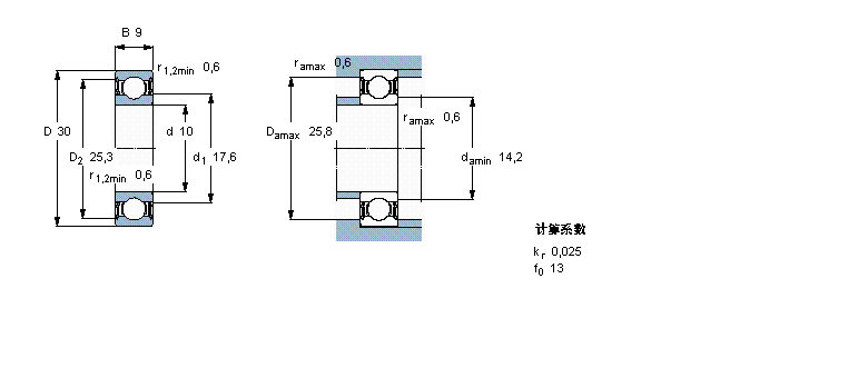
內徑:10
外徑:30
厚度:9
系列:深溝球軸承, 單列,不銹鋼, 兩面密封件
【
手機版 W6200-2RS1軸承
點擊量
更新日期:2021/12/28
】
電話:020-36026999 傳真:020-36705678 服務熱線:18922176822 郵箱:sales@gzbearing.cn
| 深溝球軸承, 單列,不銹鋼, 兩面密封件 | ||||||||||
| 公差 , 參見文字 | ||||||||||
| 徑向內部游隙 , 參見文字 | ||||||||||
| 推薦配合 | ||||||||||
| 軸和軸承座公差 | ||||||||||
|
|
||||||||||
| 主要數據尺寸 | 基本負荷額定值 | 疲勞負荷限值 | 額定速度 | 體積 | 型號 | |||||
| 動態(tài) | 靜態(tài) | 參照速度 | 限制速度 | |||||||
| d | D | B | C | C0 | Pu | |||||
|
|
||||||||||
| mm | kN | kN | r/min | kg | - | |||||
|
|
||||||||||
| 10 | 30 | 9 | 4,23 | 2,28 | 0,1 | - | 17000 | 0,032 | W 6200-2RS1 | |
RS-4824E4軸承 7008AC/DT軸承 6804Z軸承 BK1612軸承 7909DF軸承 GE50-KRR-B-FA125.5軸承 4T-68450/68712軸承 239/560-B-K-MB+H39/560軸承 NU208EG軸承 HR105KBE043+L軸承 51434軸承 GAL25-DO軸承 RNA49/22軸承 6205-2RZ軸承 23256EW33K軸承 293/500E軸承 HJ213E軸承 NAS5076UU軸承 NJ232-E-M1軸承 HK1214-2RS軸承