
訂購SKF BS2B243486A軸承,請隨時與我們聯(lián)系,我們將根據匯率的波動為您提供實時準確的價格,確保以最優(yōu)惠的價格為您提供優(yōu)質的SKF BS2B243486A軸承。
型號:BS2B243486A
品牌:SKF
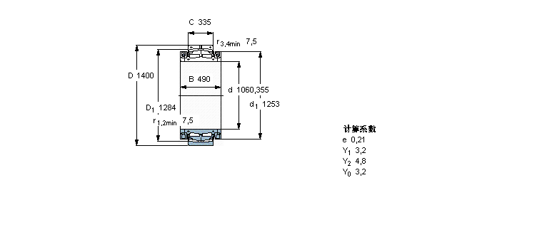
內徑:1060.355
外徑:1400
厚度:490
系列:球面滾子軸承, 剖分式
【
手機版 BS2B243486A軸承
點擊量
更新日期:2021/12/28
】
電話:020-36026999 傳真:020-36705678 服務熱線:18922176822 郵箱:sales@gzbearing.cn
| 球面滾子軸承, 剖分式 | |||||||||
| 公差 , 參見文字 | |||||||||
| 徑向內部游隙 , 參見文字 | |||||||||
| 推薦配合, 參見文字 | |||||||||
| 軸和軸承座公差 | |||||||||
|
|
|||||||||
| 主要數據尺寸 | 基本負荷額定值 | 疲勞負荷限值 | 體積 | 型號 | |||||
| 動態(tài) | 靜態(tài) | ||||||||
| d | D | B | C | C | C0 | Pu | |||
|
|
|||||||||
| mm | kN | kN | kg | - | |||||
|
|
|||||||||
| 1060,355 | 1400 | 490 | 335 | 11300 | 32000 | 1760 | 1800 | BS2B 243486 A | |
7338AC/DT軸承 NX15Z軸承 BCE78軸承 HK6020軸承 H-LM104949/H-LM104911軸承 6320NK軸承 6211-2RS軸承 7201B/DB軸承 6812軸承 NCF2915CV軸承 AOH24176軸承 23026-E1A-K-M+H3026軸承 71817ACD/P4軸承 HS71902-C-T-P4S軸承 NNU41/1250M/W33軸承 CF8BUU軸承 NU29/950ECMA軸承 CRY48V軸承 M241543/M241510CD軸承 61820-2Z軸承