
SKF FBSA205/QFC軸承是鼎力晟業(yè)長期代理的產品,鼎力晟業(yè)與SKF公司具有長期的FBSA205/QFC軸承采購計劃,可以為國內用戶提供足夠數量的SKF FBSA205/QFC軸承,讓您的工廠無憂運轉。
型號:FBSA205/QFC
品牌:SKF
內徑:25
外徑:80
厚度:82
系列:角接觸推力球軸承 for screw drives, cartridge units with flanged housing
【
手機版 FBSA205/QFC軸承
點擊量
更新日期:2021/12/28
】
電話:020-36026999 傳真:020-36705678 服務熱線:18922176822 郵箱:sales@gzbearing.cn
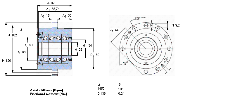
| 角接觸推力球軸承 for screw drives, cartridge units with flanged housing | |||||||||||
| 公差, inner rings, outer rings, see also text | |||||||||||
| Preload, see specific bearing, see also text | |||||||||||
| Shaft fits, housing fits | |||||||||||
| 軸和軸承座公差 | |||||||||||
|
|
|||||||||||
| 主要數據尺寸 | 基本負荷額定值 | 疲勞負荷限值 | 可達到的速度 | 體積 | 型號 | ||||||
| 動態(tài) | 靜態(tài) | 預壓 | SKF | SNFA | |||||||
| A | B | ||||||||||
| d | D2 | A | C | C0 | Pu | ||||||
|
|
|||||||||||
| mm | kN | kN | r/min | kg | - | ||||||
|
|
|||||||||||
| 25 | 80 | 82 | 36,512 | 104 | 3,86 | 4500 | 2250 | 3,5 | FBSA 205/ QFC | BSQU 225 TFT | |
NK60/25R軸承 24096-B-K30-MB+AH24096軸承 239/500-K-MB軸承 23276-B-MB軸承 CR230X260X15HMSA10V軸承 NJ205軸承 HCB7201-E-T-P4S軸承 6807-2NKE軸承 RTUEY40-TV-VA軸承 7312B軸承 T7FC070+T7FC070軸承 KLM03軸承 B7030E軸承 496/493軸承 7315-B-TVP軸承 NJ219R軸承 7216AC/DB軸承 SCE3216軸承 7034CDB軸承 NK37/30R軸承