
訂購SKF K-T911軸承,請隨時與我們聯(lián)系,我們將根據匯率的波動為您提供實時準確的價格,確保以最優(yōu)惠的價格為您提供優(yōu)質的SKF K-T911軸承。
型號:K-T911
品牌:SKF
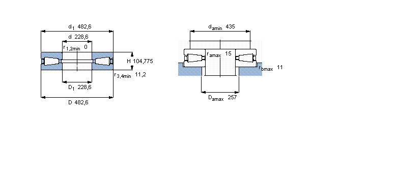
內徑:228.6
外徑:482.6
厚度:482.6
系列:圓錐滾子推力軸承, 單向
【
手機版 K-T911軸承
點擊量
更新日期:2021/12/28
】
電話:020-36026999 傳真:020-36705678 服務熱線:18922176822 郵箱:sales@gzbearing.cn
| 圓錐滾子推力軸承, 單向 | ||||||||||
| 公差 , 參見文字 | ||||||||||
| 推薦配合 | ||||||||||
| 軸和軸承座公差 | ||||||||||
|
|
||||||||||
| 主要數據尺寸 | 基本負荷額定值 | 疲勞負荷限值 | 最小負荷系數 | 體積 | 型號 | |||||
| 動態(tài) | 靜態(tài) | |||||||||
| d | D | d1 | H | C | C0 | Pu | A | |||
|
|
||||||||||
| mm | kN | kN | - | kg | - | |||||
|
|
||||||||||
| 228,6 | 482,6 | 482,6 | 104,775 | 3300 | 15000 | 915 | 18 | 100 | K-T 911 | |
NNTR70X180X85-2ZL軸承 7304AC/DF軸承 CR32X47X6HMSA10RG軸承 HR32922J軸承 6800DD軸承 B7203E.T軸承 RCJ7/8軸承 222S.800軸承 52330-MP軸承 7308CDB軸承 7310軸承 7320軸承 NA6913軸承 HCB7220-C-T-P4S軸承 YAR218-2F軸承 EGB3030-E40軸承 HK0606軸承 NA6913A軸承 LM245848/810軸承 6009-Z軸承